page_banner

        What is the role of solar DC surge protectors? I think most electrical designers are very clear. Lightning as a serious natural disaster, the occurrence of lightning-caused by transient overvoltage overcurrent is very easy to cause damage to the building’s electrical equipment, especially electronic equipment, resulting in direct and indirect economic losses to the enterprise. Therefore, lightning protection and safety protection in surge protection technology has become a current hot spot. So, DC surge protectors should be how to choose?

        With the development of technology, electronic products are becoming more and more diverse, and their applications are becoming more and more widespread. However, the surge voltage resistance level of these electronic products is generally lower than that of low-voltage distribution devices, so they are vulnerable to voltage fluctuations, i.e., damage from surge voltages. The so-called surge, also known as transient overvoltage, is a transient voltage fluctuation that occurs in a circuit and can typically last about one-millionth of a second in a circuit, such as in lightning weather, lightning pulses may continue to produce voltage fluctuations in the circuit.

        220V circuit system will produce a sustained instantaneous voltage fluctuations can reach 5000 or 10000V, which is also known as surge or transient overvoltage. More lightning areas in China, and lightning as an important factor in generating surge voltage in the line, so it is necessary to strengthen the lightning protection in the low-voltage distribution system.

        SPD surge protector that overvoltage protector, the working principle is that when the power line, signal transmission line transient overvoltage, surge protector will be overvoltage drain to limit the voltage in the range of voltage that the equipment can withstand, thereby protecting equipment from voltage shocks.

        Surge protector in normal circumstances, in a high resistance state, no leakage of current; when there is an overvoltage in the circuit, the surge protector will be triggered in a very short period of time, the overvoltage energy leakage, to protect the equipment; overvoltage disappears, the surge protector to restore the high resistance state, will not affect the normal power supply at all.

 

How to Choose Solar DC Surge Protector Device

 

DC Surge Protector Design Points and Wiring Forms

1. The Shortcomings of Surge Protector Device Design

        At present, the design of the dc solar surge protector there are still many shortcomings in the actual construction caused many problems, and even caused the project to be delayed, as follows:

        1) The description of the design is too simple, the meaning is not clearly expressed, and the installation requirements are not specific enough, which can easily cause a lot of uncertainty during construction and may cause damage or economic loss to the electronic equipment to be protected.

        2) The design of the DC surge protector is not flexible enough, and sometimes even directly applied to the fixed lightning protection construction drawings, not based on the grounding system of the distribution system for targeted design, may lead to surge protector in the specific wiring installation errors.

        3) in the distribution system diagram, the surge protector design parameters are not complete, such as voltage protection level UP, whether explosion-proof, the maximum operating voltage Uc and other important parameters are not designed, or some of the parameters are not accurate, resulting in the actual operation of the surge protector failure or damage to electronic equipment.

        4) Design specifications are not detailed. In general, to have a detailed description of the design of the surge protector for the design book, such as the construction project overview, the basis for the design, whether the inclusion of electronic information systems, surge protector device design level of protection.

 

2. The Design Points of SPD Surge Protector

        1) SPD surge protector design description: project overview, building lightning protection classification, the basis for design, electronic information systems, lightning protection level, grounding system, the way the cable enters the home, grounding resistance requirements, etc.

        2) List the location of the surge protector installation, the electrical box number, the level of protection, the number, the basic parameters (nominal discharge current In or inrush current limp, the maximum operating voltage Uc, voltage protection level Up), etc.

 

Design Points of SPD Surge Protector

 

3. Distribution System in the Form of Surge Protector Wiring

        Low-voltage distribution system pull ground system has IT, TT, TN-S, TN-C-S four forms, so the SPD surge protector to be based on the different grounding system of low-voltage distribution system and choose a different wiring diagram, for example, when using the TN AC power distribution system, the distribution lines leading from the total distribution box in the building will need to use the TN-S grounding system.

 

What Factors to Consider When Choosing a DC Surge Protector Device?

        When the low-voltage power lines from the grid for the overhead shield grounded cable or buried cable, can not be installed SPD surge protector. And when all or part of the low-voltage power lines for overhead lines, and the area thunderstorm days more than 25d / a, this time to install surge protectors to prevent overvoltage along the power lines due to the introduction of lightning impulses, so that the overvoltage level is below 2.5kV.

        Surge protector device is generally installed in the power supply at the incoming line, the location of its installation can be internal electrical devices, but also in the case of the national transmission department agreed to be installed in the nearest power line from the building, that is, installed in the overhead line into the cable line. If the electronic equipment against overvoltage has higher requirements, or overvoltage will lead to more serious consequences, such as the ability to cause an explosion or even a fire, or important electronic equipment to withstand overvoltage capacity is particularly low, but also need to increase the installation of surge protectors.

 

slocable 3 phase surge protection device

 

In the low-voltage distribution system to select the DC surge protector device when the main factors to consider are as follows:

        (1) Determine the voltage protection level Up of the DC surge protector. The voltage protection level Up refers to the maximum voltage at both ends of the surge protector measured when the nominal discharge current acts, generally divided into 2.5, 2, 1.8, 1.5, 1.2, 1.0 six levels, the unit for kV. In order to prevent electrical equipment from being harmed by overvoltage, we first consider that the impulse withstand voltage of the protected electrical equipment should be greater than the voltage protection level Up of the surge protector.

        (2) surge protector device using the full protection mode. That is, to L-PE, L-N and L-L line are installed between the surge protector in order to play a comprehensive protection of the line, which can protect the lightning pulse regardless of which line between the overvoltage, will enable electronic equipment to be effectively protected. At the same time, the opening of the full protection mode of the surge protector can be simultaneously discharged energy to avoid the start of the surge protector on the differences caused by its own damage, thereby extending the life of the surge protector.

        (3) Select the maximum sustainable operating voltage Uc of the surge protector. The maximum sustainable operating voltage refers to the maximum voltage that can be continuously applied to the surge protector without causing changes in the characteristics of the surge protector and conductive the surge protector.

        (4) Select the appropriate maximum discharge current of the surge protector according to the environmental characteristics of the site. The maximum discharge current means that the surge protector can only pass the peak current of the current wave of 8/20μs twice without damage to the surge protector. In fact, the DC surge protector has the maximum discharge current.

 

Protection Analysis of SPD Surge Protector

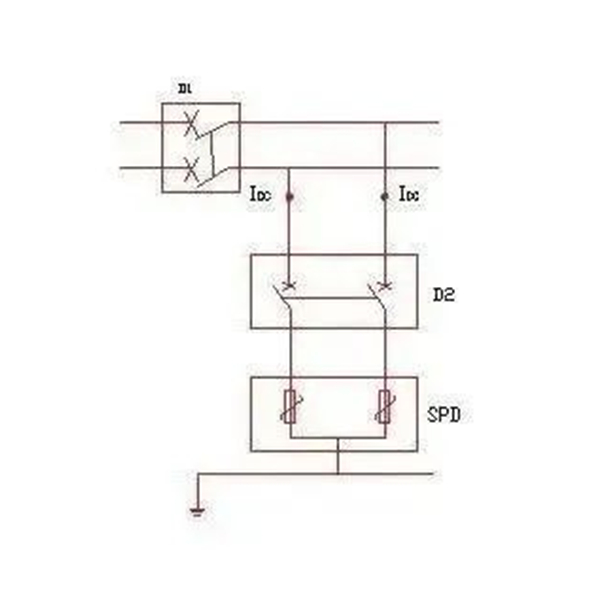
        SPD Surge protector although the protection of electronic equipment from overvoltage damage has played a very large role, but because the circuit generated overvoltage may sometimes exceed the range of the surge protector, so when the surge protector works for a long time in the overvoltage state, will also be damaged to varying degrees, these are seriously affected by the service life of the surge protector. For example, when the transient overvoltage is too high, the surge protector may break through and cause a serious short circuit, as shown in the figure.

 

Blocking pv surge protectors with circuit breakers

 

        If the surge protector device is not connected in series with a circuit breaker, the line breaker D1 will automatically trip, as the fault current lcc still exists, only after the surge protector is replaced, the line short circuit breaker D1 will re-close, so that the system loses the continuity of power supply. The solution to this problem is to connect a line circuit breaker in series with the upper end of the surge protector , to select the line circuit breaker rated current according to the maximum discharge current of the surge protector so that the circuit breaker works properly, and the tripping curve adopts C type, and its breaking capacity must be greater than the maximum short-circuit current at the installation. As shown in the table:

 

IMAX(kA) Curve Type Current(A)
8-40 C 20
65 C 50

 

        Conventional miniature circuit breaker breaking current is not greater than 10kA, the table can be seen by the choice of miniature circuit breaker is difficult to meet the breaking capacity must be greater than the maximum short-circuit current at the installation. Therefore, the use of fuses to protect the surge protector is the right choice!

 

Summary

        Surge voltage is widespread. According to statistics, a surge overvoltage occurs every 8 minutes in the national grid, and 20%-30% of computer failures are caused by surge voltage, so surge protection design is very necessary. Surge protection design is preventive design, the only way to protect our equipment from overvoltage damage as little as possible. The design of the solar DC surge protector device should comprehensively consider various influencing factors. Only in this way can the surge protector play a maximum protective role and more effectively protect the electronic equipment from overvoltage damage.

 

surge protection device connection

Popular Posts
  • insns01
  • instagram
  • facebook
  • youtube
  • linked

Subscribe to Our Newsletter

Get the latest insights on professional energy storage and lithium battery customization solutions

Contact Us